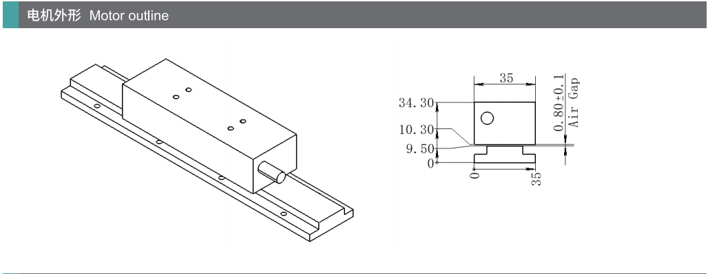
TICA35系列有铁芯直线电机

TOKK直线电机模组以其精度高、速度快、运行平稳、结构简单、集成度高、标准系列化、经济高效等特点,已广泛应用到诸多行业。同时得到行业的高度认可与青睐。从简单的搬运、传送到精密测量、精密加工,TOKK直线电机技术可应用到多种多样的加工工艺和工况场景。同时,可定制化灵活组合、高稳定性、高性价比等特性,可满足客户多元化的应用需求。

产品参数


资料下载
在线询价
欢迎您来到梯欧开机器人(苏州)有限公司,我们将尽快解答您的疑问!
若您有详细产品的需求请仔细填写,我们会尽快与您取得联系!
  • 产品名称*

  • 您的姓名*

  • 联系电话*

  • 传真号码

  • 您的邮箱*

  • 公司名称*

  • 留言内容*