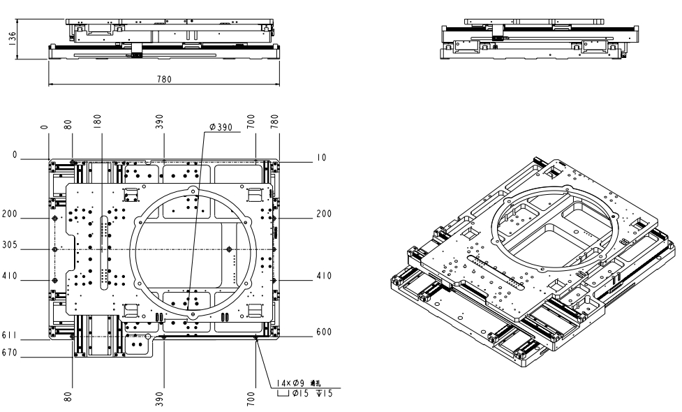
中空精密固晶定位平台

叠层式布局,紧凑型中空结构,采用高精密直线导轨,高动态性能,高精密,Y 轴采用双驱直线电机驱动,行程、尺寸、线缆可接受定制等产品特点。采用叠层紧凑的中空外形结构,工作点位置降低,光栅反馈位置接近工作表面,在晶圆检测中*关重要,Y 轴采用双驱直线电机驱动,可提供大推力、速度 1m/s 和准确的定位等结构特点。该平台是带有中空结构的精密运动台,大尺寸通孔、高动态性能满足晶圆贴片与检测应用,也适用于 CCD 成像、LED 封装检测的其它**制造行业。

产品参数


资料下载
在线询价
欢迎您来到梯欧开机器人(苏州)有限公司,我们将尽快解答您的疑问!
若您有详细产品的需求请仔细填写,我们会尽快与您取得联系!
  • 产品名称*

  • 您的姓名*

  • 联系电话*

  • 传真号码

  • 您的邮箱*

  • 公司名称*

  • 留言内容*