ZTT 平面微调平台

高精度直线导轨,伺服电机驱动,光栅闭环反馈,高可靠性驱动机构,带断电抱闸功能,防止重物掉落,使用寿命长等产品特点。采用楔形平升机构,直接移动负载,在一个长行程的移动范围,保持尽可能短的高度,优化了系统误差影响,有助于提高整体精度性能等结构特点,适用于光源对准 / 晶圆检测等领域。

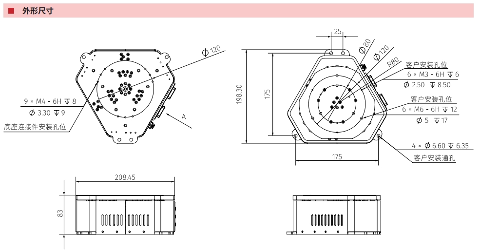
产品参数


资料下载
在线询价
欢迎您来到梯欧开机器人(苏州)有限公司,我们将尽快解答您的疑问!
若您有详细产品的需求请仔细填写,我们会尽快与您取得联系!
  • 产品名称*

  • 您的姓名*

  • 联系电话*

  • 传真号码

  • 您的邮箱*

  • 公司名称*

  • 留言内容*