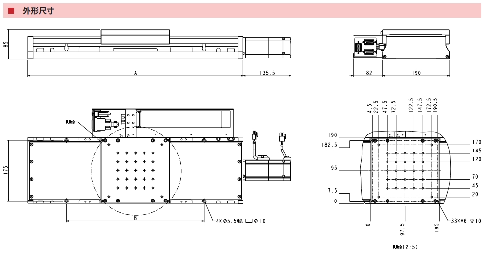
单轴精密丝杆平台

伺服滚珠丝杠驱动,高性能低成本解决方案,高刚性机械结构,配置选项灵活选择,提供光栅尺和旋转编码器反馈选项,断电抱闸自锁功能。采用交流无刷伺服电机加丝杠驱动,*大速度可以达到 300mm/s,P S 系列可以满足水平放置直线轴使用,当选择断电自锁抱闸配置后,P S 系列就可以作为 Z 轴平台进行使用,与PM 系列可以搭配使用。适用于OLED 切割 / PCB 钻孔 / 数控加工 / 生物技术 / IC 封装 / 晶圆检测等行业。

产品参数


资料下载
在线询价
欢迎您来到梯欧开机器人(苏州)有限公司,我们将尽快解答您的疑问!
若您有详细产品的需求请仔细填写,我们会尽快与您取得联系!
  • 产品名称*

  • 您的姓名*

  • 联系电话*

  • 传真号码

  • 您的邮箱*

  • 公司名称*

  • 留言内容*