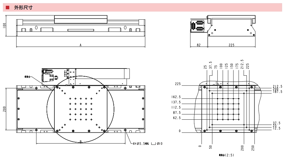
单轴精密直线平台

直驱电机高精度定位平台,高性能低成本解决方案,高刚性机械结构,灵活的配置选择(拥有不同的行程与宽度),行程*高可达 1000mm,**的线缆管理。采用直线电机驱动,速度快、动态性能好、摩擦力小、易于实现精密位置控制,非常适合行程较大、高精度和高速度的应用。适用于OLED 切割 / PCB 钻孔 / 数控加工 / 生物技术 / IC 封装 / 晶圆检测等应用场景。

产品参数


资料下载
在线询价
欢迎您来到梯欧开机器人(苏州)有限公司,我们将尽快解答您的疑问!
若您有详细产品的需求请仔细填写,我们会尽快与您取得联系!
  • 产品名称*

  • 您的姓名*

  • 联系电话*

  • 传真号码

  • 您的邮箱*

  • 公司名称*

  • 留言内容*