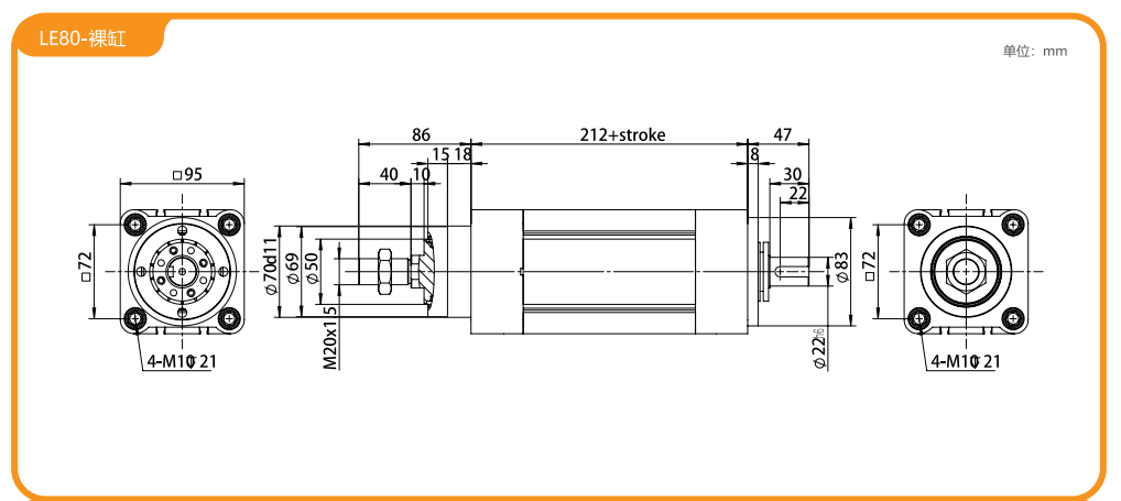
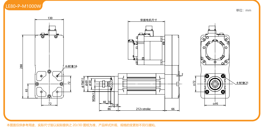
LE80

电动缸是将伺服电机与丝杆一体化设计的模块化产品,将伺服电机的旋转运动转换成直线运动,同时将伺服电机*佳优点-精确转速控制,精确转数控制,精确扭矩控制转变成-精确速度控制,精确位置控制,精确推力控制;实现高精度直线运动系列的全新革命性产品。

产品参数


资料下载
在线询价
欢迎您来到梯欧开机器人(苏州)有限公司,我们将尽快解答您的疑问!
若您有详细产品的需求请仔细填写,我们会尽快与您取得联系!
  • 产品名称*

  • 您的姓名*

  • 联系电话*

  • 传真号码

  • 您的邮箱*

  • 公司名称*

  • 留言内容*