梯欧开机器人(苏州)有限公司
TOKK Robot (Suzhou) Co, Ltd.
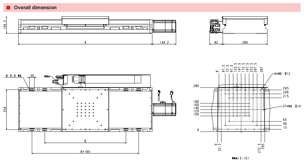
Servo ball screw drive.High performance and low-cost solution.High rigidity mechanical structure.Flexible selection of configuration options.Provide feedback options for grating rulers and rotary encoders.Power off brake self-locking function.










