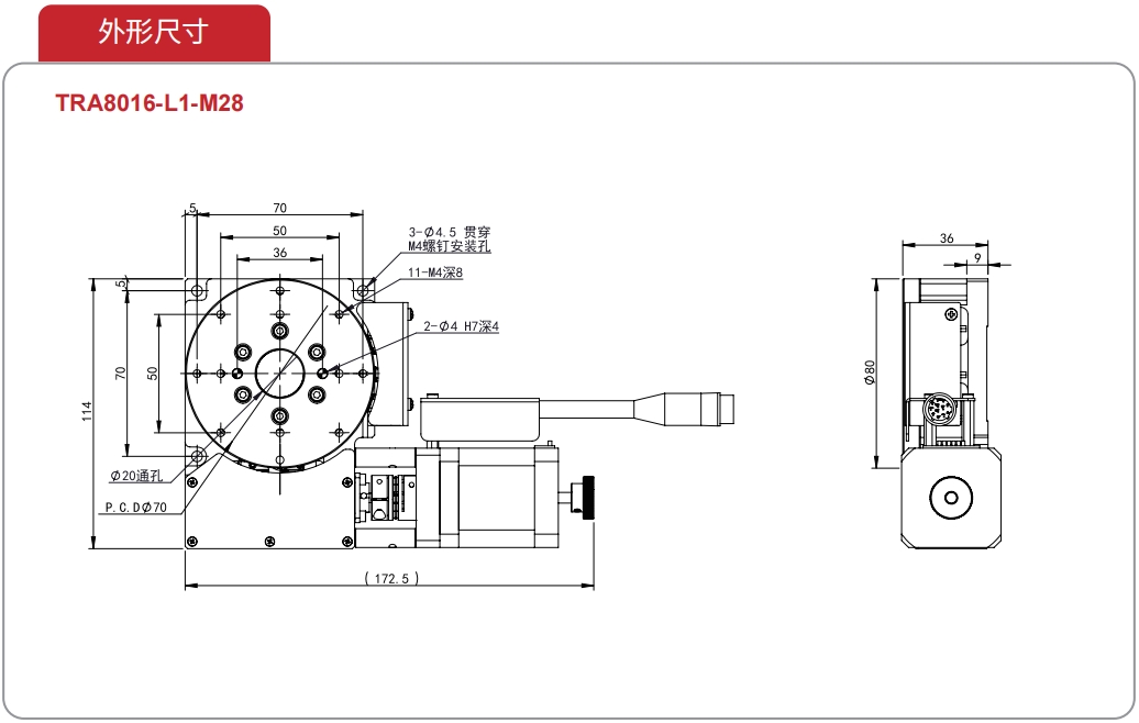
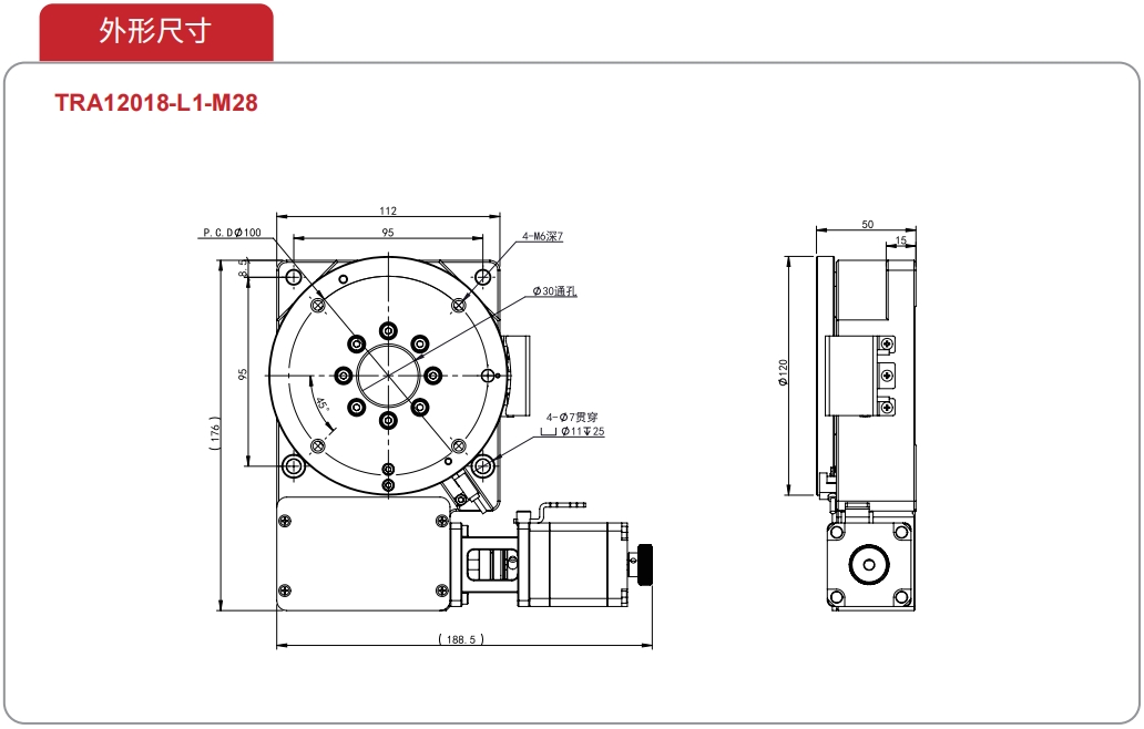
电动旋转θ轴TRA系列

电动θ轴铝合金滑台系列是TOKK为解决小空间、高使用频率等情况专门设计的小角度电动旋转滑台。产品本体材料采用硬质铝合金,表面黑色阳极氧化处理,**防止反射光对光源的影响;传动部件采用高精密滚珠丝杠、交叉滚柱轴环旋转,耐磨性好、强度高、负载能力强;该系列产品非常适合集成在对空间、尺寸、重量要求较高的自动化设备、精密仪器设备中,也比较适合使用在运动范围较小、往复频率高的工业生产线中。

产品参数


在线询价
欢迎您来到梯欧开机器人(苏州)有限公司,我们将尽快解答您的疑问!
若您有详细产品的需求请仔细填写,我们会尽快与您取得联系!
  • 产品名称*

  • 您的姓名*

  • 联系电话*

  • 传真号码

  • 您的邮箱*

  • 公司名称*

  • 留言内容*