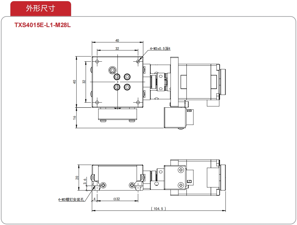
电动X轴不锈钢TXS系列-超薄款

电动不锈钢滑台系列是TOKK为解决小空间、高使用频率等情况专门设计的高精密电动位移滑台。产品本体材料采用不锈钢材质,表面无电解化学镍处理,拥有极强的防锈性能;传动部件采用高精密滚珠丝杠、哥德式弧型沟槽导轨, 双弧槽共四个接触点, 构成坚固的滑轨结构,其定位精度与寿命较高, 具备高速正反向的传动特点;该系列产品非常适合集成在对空间、尺寸、重量要求较高的自动化设备、精密仪器设备中,也比较适合使用在运动范围较小、往复频率高的工业生产线中。

产品参数


在线询价
欢迎您来到梯欧开机器人(苏州)有限公司,我们将尽快解答您的疑问!
若您有详细产品的需求请仔细填写,我们会尽快与您取得联系!
  • 产品名称*

  • 您的姓名*

  • 联系电话*

  • 传真号码

  • 您的邮箱*

  • 公司名称*

  • 留言内容*